Klemmbank - 1,6 m² KS
Auch die 1,6 KS ist für Rückezüge von 10 bis 14 Tonnen bestens geeignet.
KS steht für komplett schließend, diese Bauform garantiert dem Fahrer beste Sicht auf das Fahrzeugheck und Freiraum für Kranarbeiten. Durch das kompakte Vierpunktlager ist eine sehr geringe Aufbauhöhe gewährleistet. Dies fördert in Zusammenspiel mit der KS Bauweise noch die Freisicht.
Durch das geringe Eigengewicht von nur 940 kg bietet die 1,6 Vorteile bei der Bodenbelastung. Durch das geringe Gewicht, können Sie Ihre Zuladung ideal ausnutzen.
Bitte beachten Sie; die Hydraulische Seilspannung ist bei der KS als Zubehör erhältlich.
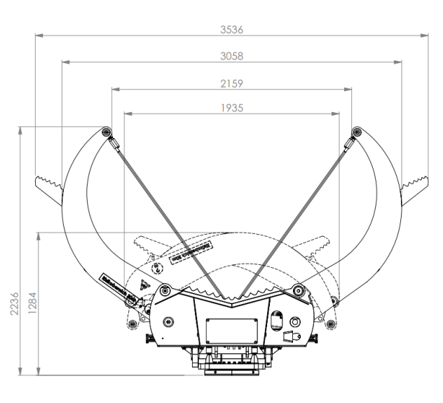
Technische Daten
| Nennmaß Ladefläche | 1,6 m² |
| Max. Ladefläche | 3,6 m² |
| Min. Ladefläche | 0,15 m² |
| Kippwinkel | +- 22° |
| Gewicht (Standardversion) | 940 kg |
Zubehör
| Stammablage an Klemmarmen | 300225 |
| Schwenkbremse | 410426 |
| Sonderlackierung je Farbe | 403783 |
| Hydraulische Steuerung | 401509 |
| Elektrische Steuerung | 402692 |
| Seilspannung | 300595 |